Product Information: Engineering machinery slewing bearing
Applicable Industries: Machinery Repair Shops, Retail, Construction Works, Energy & Mining, Other
Marketing Type: Ordinary Product
Warranty: 12 Months
Quality: High-Quality
Applicable Models: Excavator
Material: 50Mn/42CrMo
Brand Compatibility: Any Brand
Minimum Order Quantity (MOQ): 2 Piece
In an excavator, a horizontally-mounted slewing ring bearing sits between the excavator's house and the excavator's undercarriage and its unique design allows for the excavator's house and attachments to swing infinitely in a circle through the aid of a swing drive attached to the house.
We offer premium quality Slewing Bearing for renowned brands like CAT, CATERPILLAR, DAEWOO, DOOSAN,
HITACHI,JCB,JOHN DEERE,KATO,KOMATSU,KUBOTA,LIEBHERR,MITSUBISHI,CASE,SHANTUI,TEREX,VOLVO,YANMAR,and many more.
Rest assured, our products boast an extended lifespan, ensuring reliable performance even under the harshest conditions.

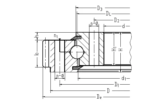
| Toothless type | ||||||||||||||||||||||
| Model DL mm | External dimensions | Installation dimensions | Structural dimensions | Gear parameters | Gear tangential force | N.W kg | ||||||||||||||||
| De mm | D mm | d mm | H mm | D1 mm | D2 mm | n | φ mm | M mm | n1 | D3 mm | n1 mm | H1 mm | h mm | b mm | m mm | Z | X | K | Normalizing kN | Quenching and tempering kN | ||
| 010.30.500 | 602 | 398 | 80 | 566 | 434 | 20 | 18 | 16 | 4 | 501 | 498 | 70 | 10 | 84 | ||||||||
| 010.30.560 | 662 | 458 | 80 | 626 | 494 | 20 | 18 | 16 | 4 | 561 | 558 | 70 | 10 | 92 | ||||||||
| 010.30.630 | 732 | 528 | 80 | 696 | 564 | 24 | 18 | 16 | 4 | 631 | 628 | 70 | 10 | 104 | ||||||||
| 010.30.710 | 812 | 608 | 80 | 776 | 644 | 24 | 18 | 16 | 4 | 711 | 708 | 70 | 10 | 121 | ||||||||
| 010.40.800 | 922 | 678 | 100 | 878 | 722 | 30 | 22 | 20 | 6 | 801 | 798 | 90 | 10 | 200 | ||||||||
| 010.40.900 | 1022 | 778 | 100 | 978 | 822 | 30 | 22 | 20 | 6 | 901 | 898 | 90 | 10 | 225 | ||||||||
| 010.40.1000 | 1122 | 878 | 100 | 1078 | 922 | 36 | 22 | 20 | 6 | 1001 | 998 | 90 | 10 | 248 | ||||||||
| 010.40.1120 | 1242 | 998 | 100 | 1198 | 1042 | 36 | 22 | 20 | 6 | 1121 | 1118 | 90 | 10 | 281 | ||||||||
| 010.45.1250 | 1390 | 1110 | 110 | 1337 | 1163 | 40 | 26 | 24 | 5 | 1252 | 1248 | 100 | 10 | 399 | ||||||||
| 010.45.1400 | 1540 | 1260 | 110 | 1487 | 1313 | 40 | 26 | 24 | 5 | 1402 | 1398 | 100 | 10 | 446 | ||||||||
| 010.45.1600 | 1740 | 1460 | 110 | 1687 | 1513 | 45 | 26 | 24 | 5 | 1602 | 1598 | 100 | 10 | 507 | ||||||||
| 010.45.1800 | 1940 | 1660 | 110 | 1887 | 1713 | 45 | 26 | 24 | 5 | 1802 | 1798 | 100 | 10 | 575 | ||||||||
| 010.60.2000 | 2178 | 1825 | 144 | 2110 | 1891 | 48 | 33 | 30 | 8 | 2002 | 1998 | 132 | 12 | 1047 | ||||||||
| 010.60.2240 | 2418 | 2065 | 144 | 2350 | 2131 | 48 | 33 | 30 | 8 | 2242 | 2238 | 132 | 12 | 1181 | ||||||||
| 010.60.2500 | 2678 | 2325 | 144 | 2610 | 2391 | 56 | 33 | 30 | 8 | 2502 | 2498 | 132 | 12 | 1315 | ||||||||
| 010.60.2800 | 2978 | 2625 | 144 | 2910 | 2691 | 56 | 33 | 30 | 8 | 2802 | 2798 | 132 | 12 | 1484 | ||||||||
| 010.75.3150 | 3376 | 2922 | 174 | 3286 | 3014 | 56 | 45 | 42 | 8 | 3152 | 3147 | 162 | 12 | 2618 | ||||||||

| External gear type | ||||||||||||||||||||||
| Model DL mm | External dimensions | Installation dimensions | Structural dimensions | Gear parameters | Gear tangential force | N.W kg | ||||||||||||||||
| De mm | D mm | d mm | H mm | D1 mm | D2 mm | n | φ mm | M mm | n1 | D3 mm | n1 mm | H1 mm | h mm | b mm | m mm | Z | X | K | Normalizing kN | Quenching and tempering kN | ||
| 011.20.400 | 499 | 325 | 55 | 448 | 352 | 16 | 13.5 | 12 | 2 | 401 | 399 | 46 | 9 | 46 | 5 | 97 | 0.5 | 0.1 | 29 | 44 | 37 | |
| 011.20.450 | 554 | 369 | 55 | 500 | 400 | 16 | 15.5 | 14 | 2 | 451 | 449 | 46 | 9 | 46 | 5 | 108 | 0.5 | 0.1 | 29 | 44 | 41 | |
| 011.30.500 | 629 | 602 | 398 | 80 | 566 | 434 | 20 | 18 | 16 | 4 | 501 | 498 | 70 | 10 | 60 | 5 | 123 | 0.5 | 0.1 | 37 | 52 | 89 |
| 012.30.500 | 628.8 | 602 | 398 | 80 | 566 | 434 | 20 | 18 | 16 | 4 | 501 | 498 | 70 | 10 | 60 | 6 | 102 | 0.5 | 0.1 | 45 | 62 | 89 |
| 011.20.560 | 670.8 | 479 | 55 | 610 | 510 | 20 | 15.5 | 14 | 4 | 561 | 559 | 46 | 9 | 46 | 6 | 109 | 0.5 | 0.1 | 35 | 53 | 56 | |
| 011.30.560 | 689 | 662 | 458 | 80 | 626 | 494 | 20 | 18 | 16 | 4 | 561 | 558 | 70 | 10 | 60 | 5 | 135 | 0.5 | 0.1 | 37 | 52 | 100 |
| 012.30.560 | 688.8 | 662 | 458 | 80 | 626 | 494 | 20 | 18 | 16 | 4 | 561 | 558 | 70 | 10 | 60 | 6 | 112 | 0.5 | 0.1 | 45 | 62 | 100 |
| 011.20.630 | 742.8 | 543 | 55 | 682 | 578 | 20 | 18 | 16 | 4 | 631 | 629 | 46 | 9 | 46 | 6 | 121 | 0.5 | 0.1 | 35 | 53 | 64 | |
| 011.30.630 | 772.8 | 732 | 528 | 80 | 696 | 564 | 24 | 18 | 16 | 4 | 631 | 628 | 70 | 10 | 60 | 6 | 126 | 0.5 | 0.1 | 45 | 62 | 118 |
| 012.30.630 | 774.4 | 732 | 528 | 80 | 696 | 564 | 24 | 18 | 16 | 4 | 631 | 628 | 70 | 10 | 60 | 8 | 94 | 0.5 | 0.1 | 60 | 83 | 118 |
| 011.20.710 | 820.8 | 623 | 55 | 762 | 658 | 24 | 18 | 16 | 4 | 711 | 709 | 46 | 9 | 46 | 6 | 134 | 0.5 | 0.1 | 35 | 53 | 70 | |
| 011.30.710 | 850.8 | 812 | 608 | 80 | 776 | 644 | 24 | 18 | 16 | 4 | 711 | 708 | 70 | 10 | 60 | 6 | 139 | 0.5 | 0.1 | 45 | 62 | 131 |
| 012.30.710 | 854.4 | 812 | 608 | 80 | 776 | 644 | 24 | 18 | 16 | 4 | 711 | 708 | 70 | 10 | 60 | 8 | 104 | 0.5 | 0.1 | 60 | 83 | 131 |
| 011.25.764 | 886.8 | 671 | 63 | 823 | 706 | 24 | 18 | 16 | 4 | 765 | 763 | 54 | 9 | 54 | 6 | 145 | 0.5 | 0.1 | 41 | 63 | 100 | |
| 011.20.800 | 930 | 894 | 704 | 70 | 858 | 742 | 20 | 17 | 16 | 4 | 800 | 797 | 60 | 10 | 50 | 6 | 154 | -0.5 | 0 | 120 | ||
| 012.20.800 | 936 | 894 | 704 | 70 | 858 | 742 | 20 | 17 | 16 | 4 | 800 | 797 | 60 | 10 | 50 | 8 | 116 | -0.5 | 0 | 120 | ||
| 011.25.800 | 942 | 904 | 692 | 78 | 864 | 736 | 18 | 22 | 20 | 3 | 800 | 797 | 68 | 10 | 58 | 6 | 156 | -0.5 | 0 | 150 | ||
| 012.25.800 | 952 | 904 | 692 | 78 | 864 | 736 | 18 | 22 | 20 | 3 | 800 | 797 | 68 | 10 | 58 | 8 | 118 | -0.5 | 0 | 154 | ||
| 011.40.800 | 966.4 | 922 | 678 | 100 | 878 | 722 | 30 | 22 | 20 | 6 | 801 | 798 | 90 | 10 | 80 | 8 | 118 | 0.5 | 0.1 | 80 | 111 | 219 |
| 012.40.800 | 968 | 922 | 678 | 100 | 878 | 722 | 30 | 22 | 20 | 6 | 801 | 798 | 90 | 10 | 80 | 10 | 94 | 0.5 | 0.1 | 100 | 140 | 219 |
| 011.25.900 | 1048 | 1004 | 792 | 78 | 964 | 836 | 20 | 22 | 20 | 4 | 900 | 897 | 68 | 10 | 58 | 8 | 130 | -0.5 | 0 | 170 | ||
| 012.25.900 | 1060 | 1004 | 792 | 78 | 964 | 836 | 20 | 22 | 20 | 4 | 900 | 897 | 68 | 10 | 58 | 10 | 105 | -0.5 | 0 | 176 | ||
| 011.40.900 | 1062.4 | 1022 | 778 | 100 | 978 | 822 | 30 | 22 | 20 | 6 | 901 | 898 | 90 | 10 | 80 | 8 | 130 | 0.5 | 0.1 | 80 | 111 | 244 |
| 012.40.900 | 1068 | 1022 | 778 | 100 | 978 | 822 | 30 | 22 | 20 | 6 | 901 | 898 | 90 | 10 | 80 | 10 | 104 | 0.1 | 100 | 140 | 244 | |
| 011.25.980 | 1110.4 | 887 | 63 | 1039 | 922 | 30 | 18 | 16 | 5 | 981 | 979 | 54 | 9 | 54 | 8 | 136 | 0.5 | 0.1 | 54 | 83 | 130 | |
| 011.25.1000 | 1152 | 1104 | 892 | 78 | 1064 | 936 | 24 | 22 | 20 | 4 | 1000 | 997 | 68 | 10 | 58 | 8 | 143 | -0.5 | 0 | 191 | ||
| 012.25.1000 | 1160 | 1104 | 892 | 78 | 1064 | 936 | 24 | 22 | 20 | 4 | 1000 | 997 | 68 | 10 | 58 | 10 | 115 | -0.5 | 0 | 194 | ||
| 011.35.1000 | 1160 | 1120 | 876 | 90 | 1074 | 926 | 24 | 24 | 22 | 4 | 1000 | 996 | 80 | 10 | 70 | 8 | 144 | -0.5 | 0 | 238 | ||
| 012.35.1000 | 1170 | 1120 | 876 | 90 | 1074 | 926 | 24 | 24 | 22 | 4 | 1000 | 996 | 80 | 10 | 70 | 10 | 116 | -0.5 | 0 | 244 | ||
| 011.40.1000 | 1188 | 1122 | 878 | 100 | 1078 | 922 | 36 | 22 | 20 | 6 | 1001 | 998 | 90 | 10 | 80 | 10 | 116 | 0.5 | 0.1 | 100 | 140 | 294 |
| 012.40.1000 | 1185.6 | 1122 | 878 | 100 | 1078 | 922 | 36 | 22 | 20 | 6 | 1001 | 998 | 90 | 10 | 80 | 12 | 96 | 0.5 | 0.1 | 120 | 167 | 284 |
| 011.25.1120 | 1278 | 1013 | 79 | 1183 | 1057 | 30 | 22 | 20 | 5 | 1121 | 1119 | 54 | 9 | 70 | 10 | 125 | 0.5 | 0.1 | 88 | 135 | 191 | |
| 011.35.1120 | 1300 | 1240 | 996 | 90 | 1194 | 1046 | 28 | 24 | 22 | 4 | 1120 | 1116 | 80 | 10 | 70 | 10 | 129 | -0.5 | 0 | 286 | ||
| 012.35.1120 | 1308 | 1240 | 996 | 90 | 1194 | 1046 | 28 | 24 | 22 | 4 | 1120 | 1116 | 80 | 10 | 70 | 12 | 108 | -0.5 | 0 | 289 | ||
| 011.40.1120 | 1298 | 1242 | 998 | 100 | 1198 | 1042 | 36 | 22 | 20 | 6 | 1121 | 1118 | 90 | 10 | 80 | 10 | 127 | 0.5 | 0.1 | 100 | 140 | 318 |
| 012.40.1120 | 1305.6 | 1242 | 998 | 100 | 1198 | 1042 | 36 | 22 | 20 | 6 | 1121 | 1118 | 90 | 10 | 80 | 12 | 106 | 0.5 | 0.1 | 120 | 167 | 318 |
| 011.30.1180 | 1338 | 1068 | 79 | 1248 | 1112 | 36 | 22 | 20 | 6 | 1181 | 1178 | 63 | 9 | 70 | 10 | 131 | 0.5 | 0.1 | 88 | 129 | 238 | |
| 011.25.1250 | 1408 | 1143 | 79 | 1313 | 1187 | 36 | 22 | 20 | 6 | 1251 | 1249 | 54 | 9 | 70 | 10 | 138 | 0.5 | 0.1 | 88 | 135 | 232 | |
| 011.35.1250 | 1430 | 1370 | 1126 | 90 | 1324 | 1176 | 32 | 24 | 22 | 4 | 1250 | 1246 | 80 | 10 | 70 | 10 | 142 | -0.5 | 0 | 317 | ||
| 012.35.1250 | 1440 | 1370 | 1126 | 90 | 1324 | 1176 | 32 | 24 | 22 | 4 | 1250 | 1246 | 80 | 10 | 70 | 12 | 119 | -0.5 | 0 | 324 | ||
| 011.40.1250 | 1450 | 1390 | 1108 | 102 | 1336 | 1164 | 32 | 26 | 24 | 4 | 1250 | 1246 | 90 | 12 | 80 | 10 | 144 | -0.5 | 0 | 416 | ||
| 012.40.1250 | 1452 | 1390 | 1108 | 102 | 1336 | 1164 | 32 | 26 | 24 | 4 | 1250 | 1246 | 90 | 12 | 80 | 12 | 120 | -0.5 | 0 | 412 | ||
| 011.45.1250 | 1449.6 | 1390 | 1110 | 110 | 1337 | 1163 | 40 | 26 | 24 | 5 | 1252 | 1248 | 100 | 10 | 90 | 12 | 118 | 0.5 | 0.1 | 135 | 188 | 438 |
| 012.45.1250 | 1453.2 | 1390 | 1110 | 110 | 1337 | 1163 | 40 | 26 | 24 | 5 | 1252 | 1248 | 100 | 10 | 90 | 14 | 101 | 0.5 | 0.1 | 158 | 219 | 438 |
| 011.30.1320 | 1497.6 | 1208 | 89 | 1388 | 1252 | 42 | 22 | 20 | 6 | 1321 | 1318 | 63 | 9 | 80 | 12 | 122 | 0.5 | 0.1 | 121 | 176 | 313 | |
| 011.35.1400 | 1584 | 1520 | 1276 | 90 | 1474 | 1326 | 36 | 24 | 22 | 6 | 1400 | 1396 | 80 | 10 | 70 | 12 | 131 | -0.5 | 0 | 354 | ||
| 012.35.1400 | 1596 | 1520 | ||||||||||||||||||||

| Internal gear type | ||||||||||||||||||||||
| Model DL mm | External dimensions | Installation dimensions | Structural dimensions | Gear parameters | Gear tangential force | N.W kg | ||||||||||||||||
| De mm | D mm | d mm | H mm | D1 mm | D2 mm | n | φ mm | M mm | n1 | D3 mm | n1 mm | H1 mm | h mm | b mm | m mm | Z | X | K | Normalizing kN | Quenching and tempering kN | ||
| 013.20.400 | 300 | 475 | 55 | 448 | 352 | 16 | 13.5 | 12 | 2 | 401 | 339 | 46 | 9 | 46 | 5 | 61 | 0.5 | 0 | 29 | 44 | 35 | |
| 013.20.450 | 345 | 531 | 55 | 500 | 400 | 16 | 15.5 | 14 | 2 | 451 | 449 | 46 | 9 | 46 | 5 | 70 | 0.5 | 0 | 29 | 44 | 40 | |
| 013.30.500 | 367 | 602 | 398 | 80 | 566 | 434 | 20 | 18 | 16 | 4 | 501 | 498 | 70 | 10 | 60 | 5 | 74 | 0.5 | 0.2 | 37 | 52 | 90 |
| 014.30.500 | 368.4 | 602 | 398 | 80 | 566 | 434 | 20 | 18 | 16 | 4 | 501 | 498 | 70 | 10 | 60 | 6 | 62 | 0.5 | 0.2 | 45 | 62 | 90 |
| 013.20.560 | 450 | 641 | 55 | 610 | 510 | 20 | 15.5 | 14 | 4 | 561 | 559 | 46 | 9 | 46 | 6 | 76 | 0.5 | 0 | 35 | 53 | 54 | |
| 013.30.560 | 427 | 662 | 458 | 80 | 626 | 494 | 20 | 18 | 16 | 4 | 561 | 558 | 70 | 10 | 60 | 5 | 86 | 0.5 | 0.2 | 37 | 52 | 102 |
| 014.30.560 | 428.4 | 662 | 458 | 80 | 626 | 494 | 20 | 18 | 16 | 4 | 561 | 558 | 70 | 10 | 60 | 6 | 72 | 0.5 | 0.2 | 45 | 62 | 102 |
| 013.30.630 | 494.4 | 732 | 528 | 80 | 696 | 564 | 24 | 18 | 16 | 4 | 631 | 628 | 70 | 10 | 60 | 6 | 83 | 0.5 | 0.2 | 45 | 62 | 116 |
| 014.30.630 | 491.2 | 732 | 528 | 80 | 696 | 564 | 24 | 18 | 16 | 4 | 631 | 628 | 70 | 10 | 60 | 8 | 62 | 0.5 | 0.2 | 60 | 83 | 116 |
| 013.20.710 | 594 | 797 | 55 | 762 | 658 | 24 | 18 | 16 | 4 | 711 | 709 | 46 | 9 | 46 | 6 | 100 | 0.5 | 0 | 35 | 53 | 71 | |
| 013.30.710 | 572.4 | 812 | 608 | 80 | 776 | 644 | 24 | 18 | 16 | 4 | 711 | 708 | 70 | 10 | 60 | 6 | 96 | 0.5 | 0.2 | 45 | 62 | 132 |
| 014.30.710 | 571.2 | 812 | 608 | 80 | 776 | 644 | 24 | 18 | 16 | 4 | 711 | 708 | 70 | 10 | 60 | 8 | 72 | 0.5 | 0.2 | 60 | 83 | 132 |
| 013.40.800 | 635.2 | 922 | 678 | 100 | 878 | 722 | 30 | 22 | 20 | 6 | 801 | 798 | 90 | 10 | 80 | 8 | 80 | 0.5 | 0.2 | 80 | 111 | 224 |
| 014.40.800 | 634 | 922 | 678 | 100 | 878 | 722 | 30 | 22 | 20 | 6 | 801 | 798 | 90 | 10 | 80 | 10 | 64 | 0.5 | 0.2 | 100 | 140 | 224 |
| 013.25.886 | 752 | 980 | 63 | 944 | 827 | 36 | 18 | 16 | 4 | 887 | 885 | 54 | 9 | 54 | 8 | 95 | 0.5 | 0 | 54 | 83 | 117 | |
| 013.40.900 | 739.2 | 1022 | 778 | 100 | 978 | 822 | 30 | 22 | 20 | 6 | 901 | 898 | 90 | 10 | 80 | 8 | 93 | 0.5 | 0.2 | 80 | 111 | 252 |
| 014.40.900 | 734 | 1022 | 778 | 100 | 978 | 822 | 30 | 22 | 20 | 6 | 901 | 898 | 90 | 10 | 80 | 10 | 74 | 0.5 | 0.2 | 100 | 140 | 252 |
| 013.40.1000 | 824 | 1122 | 878 | 100 | 1078 | 922 | 36 | 22 | 20 | 6 | 1001 | 998 | 90 | 10 | 80 | 10 | 83 | 0.5 | 0.2 | 100 | 140 | 292 |
| 014.40.1000 | 820.8 | 1122 | 878 | 100 | 1078 | 922 | 36 | 22 | 20 | 6 | 1001 | 998 | 90 | 10 | 80 | 12 | 69 | 0.5 | 0.2 | 120 | 167 | 292 |
| 013.25.1077 | 930 | 1169 | 63 | 1134 | 1017 | 36 | 18 | 16 | 6 | 1078 | 1076 | 54 | 9 | 54 | 10 | 94 | 0.5 | 0 | 68 | 104 | 147 | |
| 013.30.1120 | 960 | 1232 | 79 | 1188 | 1052 | 36 | 22 | 20 | 6 | 1121 | 1118 | 63 | 9 | 70 | 10 | 97 | 0.5 | 0 | 88 | 135 | 216 | |
| 013.40.1120 | 944 | 1242 | 998 | 100 | 1198 | 1042 | 36 | 22 | 20 | 6 | 1121 | 1118 | 90 | 10 | 80 | 10 | 95 | 0.5 | 0.2 | 100 | 140 | 333 |
| 014.40.1120 | 940.8 | 1242 | 998 | 100 | 1198 | 1042 | 36 | 22 | 20 | 6 | 1121 | 1118 | 90 | 10 | 80 | 12 | 79 | 0.5 | 0.2 | 120 | 167 | 333 |
| 013.30.1250 | 1090 | 1362 | 79 | 1318 | 1182 | 40 | 22 | 20 | 8 | 1251 | 1248 | 63 | 9 | 70 | 10 | 110 | 0.5 | 0 | 88 | 135 | 243 | |
| 013.45.1250 | 1048.8 | 1390 | 1110 | 110 | 1337 | 1163 | 40 | 26 | 24 | 5 | 1252 | 1248 | 100 | 10 | 90 | 12 | 88 | 0.5 | 0.2 | 135 | 188 | 467 |
| 014.45.1250 | 1041.6 | 1390 | 1110 | 110 | 1337 | 1163 | 40 | 26 | 24 | 5 | 1252 | 1248 | 100 | 10 | 90 | 14 | 75 | 0.5 | 0.2 | 158 | 219 | 467 |
| 013.30.1400 | 1224 | 1512 | 89 | 1468 | 1332 | 44 | 22 | 20 | 11 | 1401 | 1398 | 63 | 9 | 80 | 12 | 103 | 0.5 | 0 | 121 | 176 | 311 | |
| 013.45.1400 | 1192.8 | 1540 | 1260 | 110 | 1487 | 1313 | 40 | 26 | 24 | 5 | 1402 | 1398 | 100 | 10 | 90 | 12 | 100 | 0.5 | 0.2 | 135 | 188 | 529 |
| 014.45.1400 | 1195.6 | 1540 | 1260 | 110 | 1487 | 1313 | 40 | 26 | 24 | 5 | 1402 | 1398 | 100 | 10 | 90 | 14 | 86 | 0.5 | 0.2 | 158 | 219 | 529 |
| 013.40.1500 | 1308 | 1634 | 94 | 1582 | 1418 | 40 | 26 | 24 | 8 | 1501 | 1498 | 81 | 9 | 85 | 12 | 110 | 0.5 | 0 | 128 | 187 | 431 | |
| 013.30.1600 | 1428 | 1712 | 89 | 1668 | 1532 | 48 | 22 | 20 | 8 | 1601 | 1598 | 63 | 9 | 80 | 12 | 120 | 0.5 | 0 | 121 | 176 | 351 | |
| 013.45.1600 | 1391.6 | 1740 | 1460 | 110 | 1687 | 1513 | 45 | 26 | 24 | 5 | 1602 | 1598 | 100 | 10 | 90 | 14 | 100 | 0.5 | 0.2 | 158 | 219 | 607 |
| 014.45.1600 | 1382.4 | 1740 | 1460 | 110 | 1687 | 1513 | 45 | 26 | 24 | 5 | 1602 | 1598 | 100 | 10 | 90 | 16 | 87 | 0.5 | 0.2 | 181 | 250 | 620 |
| 013.40.1700 | 1498 | 1834 | 94 | 1782 | 1618 | 44 | 26 | 24 | 11 | 1701 | 1698 | 81 | 9 | 85 | 14 | 108 | 0.5 | 0 | 149 | 218 | 499 | |
| 013.45.1800 | 1573.6 | 1940 | 1660 | 110 | 1887 | 1713 | 45 | 26 | 24 | 5 | 1802 | 1798 | 100 | 10 | 90 | 14 | 113 | 0.5 | 0.2 | 158 | 219 | 721 |
| 014.45.1800 | 1574.4 | 1940 | 1660 | 110 | 1887 | 1713 | 45 | 26 | 24 | 5 | 1802 | 1798 | 100 | 10 | 90 | 16 | 99 | 0.5 | 0.2 | 181 | 250 | 721 |
| 013.50.1800 | 1554 | 1971 | 109 | 1905 | 1695 | 36 | 33 | 30 | 9 | 1802 | 1798 | 99 | 9 | 100 | 14 | 112 | 0.5 | 0 | 257 | 800 | ||
| 013.50.2000 | 1764 | 2171 | 109 | 2105 | 1895 | 40 | 33 | 30 | 8 | 2002 | 1998 | 99 | 9 | 100 | 14 | 127 | 0.5 | 0 | 257 | 868 | ||
| 013.60.2000 | 1734.4 | 2178 | 1825 | 144 | 2110 | 1891 | 48 | 33 | 30 | 8 | 2002 | 1998 | 132 | 12 | 120 | 16 | 109 | 0.5 | 0.2 | 241 | 333 | 1265 |
| 014.60.2000 | 1735.2 | 2178 | 1825 | 144 | 2110 | 1891 | 48 | 33 | 30 | 8 | 2002 | 1998 | 132 | 12 | 120 | 18 | 97 | 0.5 | 0.2 | 271 | 375 | 1265 |
| 013.50.2240 | 1984 | 2411 | 109 | 2345 | 2135 | 48 | 33 | 30 | 8 | 2242 | 2238 | 99 | 9 | 100 | 16 | 125 | 0.5 | 0 | 294 | 1009 | ||
| 013.60.2240 | 1990.4 | 2418 | 2065 | 144 | 2350 | 2131 | 48 | 33 | 30 | 8 | 2242 | 2238 | 132 | 12 | 120 | 16 | 125 | 0.5 | 0.2 | 241 | 333 | 1393 |
| 014.60.2240 | 1987.2 | 2418 | 2065 | 144 | 2350 | 2131 | 48 | 33 | 30 | 8 | 2242 | 2238 | 132 | 12 | 120 | 18 | 111 | 0.5 | 0.2 | 271 | 375 | 1393 |
| 013.50.2490 | 2240 | 2661 | 109 | 2595 | 2385 | 54 | 33 | 30 | 9 | 2492 | 2488 | 99 | 9 | 100 | 16 | 141 | 0.5 | 0 | 294 | 1106 | ||
| 013.60.2500 | 2239.2 | 2678 | 2325 | 144 | 2610 | 2391 | 56 | 33 | 30 | 8 | 2502 | 2498 | 132 | 12 | 120 | 18 | 125 | 0.5 | 0.2 | 271 | 375 | 1580 |
| 014.60.2500 | 2228 | 2678 | 2325 | 144 | 2610 | 2391 | 56 | 33 | 30 | 8 | 2502 | 2498 | 132 | 12 | 120 | 20 | 112 | 0.5 | 0.2 | 301 | 418 | 1580 |
| 013.50.2800 | 2544 | 2971 | 109 | 2905 | 2652 | 60 | 33 | 30 | 12 | 2802 | 2798 | 99 | 9 | 100 | 16 | 160 | 0.5 | 0 | 294 | 1265 | ||
| 013.60.2800 | 2527.2 | 2978 | 2625 | 144 | 2910 | 2691 | 56 | 33 | 30 | 8 | 2802 | 2798 | 132 | 12 | 120 | 18 | 141 | 0.5 | 0.2 | 271 | 375 | 1800 |
| 014.60.2800 | 2528 | 2978 | 2625 | 144 | 2910 | 2691 | 56 | 33 | 30 | 8 | 2802 | 2798 | 132 | 12 | 120 | 20 | 127 | 0.5 | 0.2 | 301 | 418 | 1800 |
| 013.75.3150 | 2828 | 3376 | 2922 | 174 | 3286 | 3014 | 56 | 45 | 42 | 8 | 3152 | 3147 | 162 | 12 | 150 | 20 | 142 | 0.5 | 0.2 | 377 | 522 | 2840 |
| 014.75.3150 | 2824.8 | 3376 | 2922 | 174 | 3286 | 3014 | 56 | 45 | 42 | 8 | 3152 | 3147 | 162 | 12 | 150 | 22 | 129 | 0.5 | 0.2 | 415 | 574 | 2840 |
What are the main components of a slewing bearing?
The main components of a slewing bearing include an inner ring, an outer ring, rolling elements (such as balls or rollers), a cage to separate the rolling elements, and sometimes sealing elements to protect against contaminants.
What are the different types of slewing bearings?
Slewing bearings come in various designs, including single-row ball, double-row ball, cross roller, and three-row roller slewing bearings, each suitable for different load and space requirements.
How are slewing bearings installed and maintained?
Slewing bearings are typically installed using specialized equipment and methods, and regular maintenance such as lubrication and inspection is crucial to ensure optimal performance and longevity.
PROVIDING EXCELLENT SOLUTIONS BY SAIVS™
When seeking manufacturers and suppliers for Single Row Four-Point Contact Ball Slewing Bearing, choosing SAIVS is your wise decision.
We pride ourselves on high quality, diverse options, competitive pricing, and swift delivery.
Engage with our experts now to explore further insights into our Single Row Four-Point Contact Ball Slewing Bearing product solutions.